蓝颜gtv

焊接式四通
焊接式四通
焊接式四通
Size L1 D
1″ 47.6 25.4
11/2″ 57.2 38.1
2″ 76.2 50.8
21/2″ 76.2 63.5
3″ 82.6 76.2
4″ 98.4 101.6

 

焊接式四通
Size L1 D
1/2″ 47.6 12.7
3/4″ 50.8 19.05
1″ 54.0 25.4
11/2″ 60.3 38.1
2″ 73.0 80.8
21/2″ 79.4 63.8
3″ 85.7 76.2
4″ 104.8 101.6

 

焊接式四通
Size L1 D
1″ 65.0 25.4
11/2″ 85.0 38.1
2″ 110.0 50.8
21/2″ 135.0 63.0
3″ 155.0 76.2
4″ 195.0 101.6

 

焊接式四通
Size L1 D
DN25 50.0 28.0
DN32 55.0 34.0
DN40 60.0 40.0
DN50 70.0 52.0
DN65 80.0 70.0
DN80 90.0 85.0
DN100 100.0 104.0

 

焊接式四通
Size L1 D
1″ 33.5 25.4
11/4″ 38.0 32.0
11/2″ 48.5 38.0
2″ 60.5 51.0
21/2″ 93.5 63.5
3″ 88.5 76.0
31/2″ 103.5 89.0
4″ 127.0 101.6

 

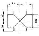
焊接式四通
Size L1 L2 D
25 65.0 15.0 25.4
38 70.0 21.0 38.0
51 82.0 29.0 50.5
63.5 105.0 38.0 63.5
76.2 110.0 44.0 76.2
102 150.0 58.0 101.6